联系人: 吕经理
销售热线:156-5028-2386
销售热线:133-7108-1766
公司传真:0536-2201118
地址:潍坊市坊子区九龙街道上房村村西
一体化净水器集絮凝,沉淀,排污,反冲洗,集水过滤等工艺中的精华之大成,无需人员操作而能达到单体全自动运行的系列净水装置,是实现水厂自动化管理的重要单元。一体化净水装置,不仅使用范围广,处理效果好,出水水质优良,而且耗水量少,动力消耗省,占地面积小,节电,节水,节人工,可省去辅助机泵及设施的新型节能新产品。

一、工作原理
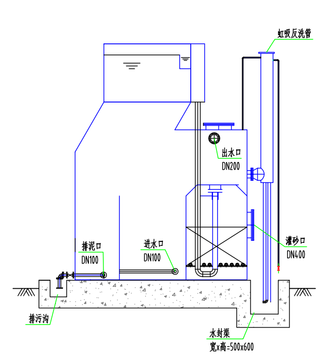
一体化净水器装置和城市供水厂的净化流程一样。它有:混凝池、沉淀池、过滤池、水质稳定装置、反冲洗装置、水泵及电气控制柜。现分别介绍如下:
1、混凝池:投加混凝剂的原水由进水管进入混凝池内,用特制的搅拌机搅动,使水中的悬浮物和混凝剂充分接触反应形成矾花。一般净水装置是采用涡流反应来使水和混凝剂混和,但效果受水量的变化而不稳定。该净水装置则用搅拌机混和,不受水量变化而影响效果。
2、沉淀室:水经加混凝剂混凝后形成矾花,流到设备的沉淀池内进行沉淀,沉淀池采用斜管沉淀法,经过梯形斜板沉淀室沉淀完成固液分离,沉淀下来的污泥排入泥斗。
3、过滤池:经沉淀后的水流到过滤池过滤,滤池结构:底部为布水管,中部为石英砂,上部为无烟煤。过滤速度为10m/h,最后清水流到清水池内消毒处理后饮用。过滤池反冲周期为12小时左右,反冲时间为5-10分钟。

一体化净水器适用于江、河、湖、水库等以地表水为水源的给水工程的水质净水,中水回用、及煤矿尾矿水、洗煤水、浴池、游泳池、洗车场、造纸、印染、电镀和其它工业废水的水质净化。
二、工艺参数
一体化净水器型号多样,批发价格也会有所不同,下面来了解一下它的设计参数:
1.适用原水浊度:≤3000mg/L。
2.适用原水温度:常温。
3.净水出水浊度:≤3mg/L。
4.沉淀区设计表面负荷:7-8M/H·M。
5.过滤区设计滤速:7-10M/H。
6.滤池冲洗强度:14-16L/S·M。
7.冲洗历时:t=4-6mim(可调)。
8.总停留时间:T总40-45mim。

三、性能优点
1、一体化净水器,除了对一级泵房及加药系统的管理外,一体化净水器本身从反应、絮凝、沉淀、集泥、排泥、集水、配水、过滤、反冲、排污等一系列运行程序,达到了自动运行的要求,值班人员只要定时作水质监视测定工作外,无需对净水装置操作管理。
2、高浓度的絮凝层,能使原水中的杂质颗粒,在其间得到充分的碰撞接触,吸附的机率,因而能适应各种原水的水温和浊度,杂质颗粒去除率高。在一定使用条件时,还具有除藻功能。
3、迅捷的泥渣浓缩室及可调式自动排泥系统,能保证多余的泥渣杂质及时排除,从而保证稳定的杂质颗粒去除率。
4、高效的絮凝及沉淀效果,使沉淀出水水质一直保持良好状态。
5、新颖的集水系统及最低的集水水头,使集水更均匀有效,不仅提高了体积利用系数,因其集水水头极小,累积的省电效果可观。
6、净水系统自动化,既保证了净水系统的高效过滤,(在原水浊度小于3000mg/L,滤后水浊度可保持在3mg/L以下)又能自动反冲洗,无需另设反冲洗水泵或空压机等电器设备,可节省大量的基建投资及日常运行、维修、保养费用。
7、自耗水率低约在<5%左右,对节省有限的水资源起着积极的作用。
8、占地面积小,与一般净水构筑物相比,可节省占地<50%以上,高度在4.10米左右,室内外均可安置。
9、便于扩建、改造、再用,便于搬迁或易地再用。

四、适用范围
1、适用于水浊度小于3000mg/L的各类江,河,湖,水库等为水源的农村,城镇,工矿企业的水厂,作为主要的净水处理装置。
2、对于低温,低浊,有季节性藻类的湖泊水源,有其特殊的适应能力。
3、对高纯水,饮料工业用水,锅炉用水等作前置水处理的预处理设备。
4、用于各类工业循环水系统,可有效而大幅度的提高循环用水水质。